

Примечание.
Размеры фаски резьбы по ГОСТ
10549-80.
Пример условного обозначения.
Гайка с накаткой с
размерами d = М5 и H = 12 мм:
Гайка 7003-0251 ГОСТ 14726-69.

1 – гайка по ГОСТ 13427-68;
2 – штифт цилиндрический неподвижный по ГОСТ 3128-70.
3 – рукоятка подвижная по ГОСТ 13447-68.

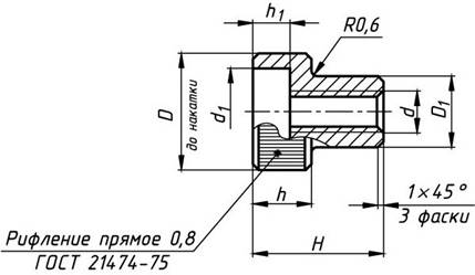
Примечания:
1. Стандарт предусматривает гайки
с диаметром d до
2. Размеры фаски резьбы по ГОСТ
10549-80.
Пример условного обозначения.
Гайка с рукояткой исполнения 1 с размером d = М6:
Гайка 7003-0221
ГОСТ 13426-68.


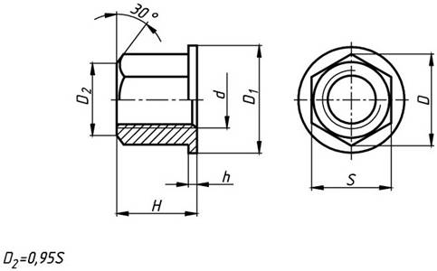
Примечание.
Размеры фаски резьбы по ГОСТ
10549-80.
Пример
условного обозначения.
Гайка
шестигранная с буртиком с размером d = М12:
Гайка 7003-0304
ГОСТ 8918-69.