

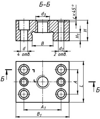
Примечания:
1. Размеры канавки для выхода
шлифовального круга по ГОСТ 8820-69.
2. Размеры
фасок выбирают по ГОСТ 10549-80.
3. Размеры опорных поверхностей под крепежные винты по ГОСТ 12876-67.
Пример условного обозначения.
Колодка
направляющая с размерами d =
Колодка
7033-0121 ГОСТ 12198-66.