

Примечание.
Стандарт предусматривает втулки исполнения 1 и 2 с
диаметром d = 0,19…80 мм.
Пример условного обозначения.
Постоянная
кондукторная втулка исполнения 1 с размерами d =1,5 мм; D =
Втулка
7051-0016/01500…ГОСТ 18429-73.

|
Обозначение |
d |
D |
H |
D1 |
h |
h1 |
r |
r1 |
|
7051-1108 |
0,85…1,2 |
3,2 |
4,0 |
5,3 |
1,5 |
0,6 |
0,2 |
0,2 |
|
7051-1109 |
5,0 |
0,6 |
||||||
|
7051-1111 |
5,0 |
0,6 |
||||||
|
7051-1112 |
6,3 |
0,8 |
||||||
|
7051-1113 |
6,3 |
0,8 |
||||||
|
7051-1114 |
8,0 |
0,8 |
||||||
|
7051-1115 |
8,0 |
0,8 |
||||||
|
7051-1116 |
1,2…1,5 |
3,6 |
4,0 |
5,6 |
1,5 |
0,6 |
0,2 |
0,2 |
|
7051-1117 |
5,0 |
0,6 |
||||||
|
7051-1118 |
5,0 |
0,6 |
||||||
|
7051-1119 |
6,3 |
0,8 |
||||||
|
7051-1121 |
6,3 |
0,8 |
||||||
|
7051-1122 |
8,0 |
0,8 |
||||||
|
7051-1123 |
8,0 |
0,8 |
||||||
|
7051-1124 |
1,5…1,8 |
4,0 |
4,0 |
6,3 |
1,5 |
0,6 |
0,2 |
0,2 |
|
7051-1125 |
5,0 |
0,6 |
||||||
|
7051-1126 |
6,3 |
0,8 |
||||||
|
7051-1127 |
8,0 |
0,8 |
||||||
|
7051-1128 |
10,0 |
1,2 |
||||||
|
7051-1129 |
1,8…2,2 |
4,5 |
5,0 |
7,0 |
1,5 |
0,6 |
0,4 |
0,2 |
|
7051-1131 |
6,3 |
0,8 |
||||||
|
7051-1132 |
8,0 |
0,8 |
||||||
|
7051-1133 |
10,0 |
1,2 |
||||||
|
7051-1134 |
12,0 |
1,2 |
||||||
|
7051-1141 |
2,6…2,9 |
5,6 |
5,0 |
9,0 |
1,5 |
0,6 |
0,4 |
0,2 |
|
7051-1142 |
6,3 |
0,8 |
||||||
|
7051-1143 |
8,0 |
0,8 |
||||||
|
7051-1144 |
10,0 |
1,2 |
||||||
|
7051-1145 |
12,0 |
1,2 |
||||||
|
7051-1146 |
2,9…3,4 |
6,3 |
6,3 |
10,0 |
2,0 |
0,8 |
0,6 |
0,2 |
|
7051-1147 |
8,0 |
0,8 |
||||||
|
7051-1148 |
10,0 |
1,2 |
||||||
|
7051-1149 |
12,0 |
1,2 |
||||||
|
7051-1151 |
16,0 |
1,6 |
||||||
|
7051-1152 |
3,4…3,7 |
7,1 |
6,3 |
11,0 |
2,0 |
0,8 |
0,6 |
0,2 |
|
7051-1153 |
8,0 |
0,8 |
||||||
|
7051-1154 |
10,0 |
1,2 |
||||||
|
7051-1155 |
12,0 |
1,2 |
||||||
|
7051-1156 |
16,0 |
1,6 |
||||||
|
7051-1157 |
3,7…4,5 |
8,0 |
6,3 |
12,0 |
2,0 |
0,8 |
0,6 |
0,2 |
|
7051-1158 |
8,0 |
0,8 |
||||||
|
7051-1159 |
10,0 |
1,2 |
||||||
|
7051-1161 |
12,0 |
1,2 |
||||||
|
7051-1162 |
16,0 |
1,6 |
||||||
|
7051-1163 |
4,5…5,2 |
9,0 |
6,3 |
13,0 |
2,0 |
0,8 |
0,8 |
0,4 |
|
7051-1164 |
8,0 |
0,8 |
||||||
|
7051-1165 |
10,0 |
1,2 |
||||||
|
7051-1166 |
12,0 |
1,2 |
||||||
|
7051-1167 |
16,0 |
1,6 |
||||||
|
7051-1168 |
5,2…6,0 |
10,0 |
8,0 |
14,0 |
3,0 |
0,8 |
0,8 |
0,4 |
|
7051-1169 |
10,0 |
1,2 |
||||||
|
7051-1171 |
12,0 |
1,2 |
||||||
|
7051-1172 |
16,0 |
1,6 |
||||||
|
7051-1173 |
20,0 |
2,0 |
||||||
|
7051-1174 |
6,0…6,7 |
11,0 |
8,0 |
15,0 |
3,0 |
0,8 |
0,8 |
0,4 |
|
7051-1175 |
10,0 |
1,2 |
||||||
|
7051-1176 |
12,0 |
1,2 |
||||||
|
7051-1177 |
16,0 |
1,6 |
||||||
|
7051-1178 |
20,0 |
2,0 |
||||||
|
7051-1179 |
6,7…7,5 |
12,0 |
8,0 |
16,0 |
3,0 |
0,8 |
0,8 |
0,4 |
|
7051-1181 |
10,0 |
1,2 |
||||||
|
7051-1182 |
12,0 |
1,2 |
||||||
|
7051-1183 |
16,0 |
1,6 |
||||||
|
7051-1184 |
20,0 |
2,0 |
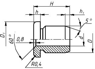
Примечания:
1. Стандарт предусматривает втулки
исполнения 1 и 2 с диаметром d = 0,19…80 мм.
2. Размеры канавки для выхода шлифовального
круга по
ГОСТ 8820-69.
Пример условного обозначения. Постоянная
кондукторная втулка с буртиком исполнения 1 с размерами d =
Втулка
7051-1116/01500…ГОСТ 18430-73.

\ 
Примечания:
1. Стандарт предусматривает втулки
с диаметром d = 3,4 …50 мм.
2. Размеры канавки для выхода
шлифовального круга по ГОСТ 8820-69.
Пример условного обозначения.
Втулка кондукторная
быстросменная с размерами d =
Втулка 7051-4601/03400…ГОСТ 18432-73.

1 – быстросменная кондукторная втулка по ГОСТ
18432-73;
2 – винт по ГОСТ 9052-69;
3 – промежуточная втулка по ГОСТ 18433-73 или ГОСТ
18434-73.

Примечание.
Стандарт
предусматривает установочные размеры на крепление быстросменных втулок с
диаметрами D до


Примечание.
Стандарт
предусматривает втулки с диаметром d = 6,3…63 мм.
Пример условного обозначения.
Промежуточная втулка с
размерами d =
Втулка 7051-4972 ГОСТ 18433-73.


Примечания:
1. Стандарт предусматривает
втулки с диаметром d = 6,3…63 мм.
2. Размеры канавок для выхода шлифовального
круга по ГОСТ 8820-69.
Пример условного
обозначения.
Втулка промежуточная с
буртиком с размерами d =
Втулка 7051-4984 ГОСТ 18434-73.